搜 索

产品中心

提供完善的、高性价比的整体测量解决方案

   当前位置 :首页 > 产品中心 > 示波器

WaveSurfer 4000HD

示波器

采用HD4096技术的示波器具有比传统8位示波器更高的分辨率(4096 vs.256个垂直电平)以及低噪声,从而保证了无妥协的测量性能。12位的ADC支持快速信号的捕获以及高达1GHz的示波器带宽,而5GS/s的采样率则确保了最高的测量准确性和精确度。高性能输入放大器提供了纯净的信号保真度,而低噪声的系统架构则提供了理想的信号路径,确保信号细节被准确传递到示波器显示屏上--更接近完美。

详细介绍

主要技术指标:

带宽:200MHz-1GHz

输入通道:4

最大采样率:5GS/s采样率

分辨率:12-bit

内存:25Mpts

最大内存:25Mpts

更多的功能

1754274142769.png

协议分析与串行触发和解码

1:直观的颜色编码覆盖层使理解串行数据信息变得容易


2:强大的条件数据触发功能


3:交互式解码表总结了两种不同协议解码的结果


4:触摸表格中的行以自动缩放并显示选定的数据包


5:搜索和条件过滤

1754274312378.png


1754274340930.png

具有16通道混合信号功能的逻辑分

1:同时查看、测量和分析4个模拟通道和16个数字通道


2:专用数字逻辑端口不占用模拟通道


3:模拟和数字通道可以合并为一个模式触发器


4:使用WaveScan、趋势、统计和直方图在数字波形中查找异常

1754276156092.png

使用OneTouch的MAUI

1:示波器有触摸屏功能


2:拖放操作显著减少设置时间


3:所有常见操作都可以用一次触摸完成

1754276582390.png

频谱分析

1:频谱分析仪样式控制


2:对数刻度


3:弹出峰值和标记表

1754276692032.png内置波形发生器

1:频率高达25 MHz


2:多种波形源可供选择


3:保存的波形可以上传到示波器以生成任意波形

1754276850116.png

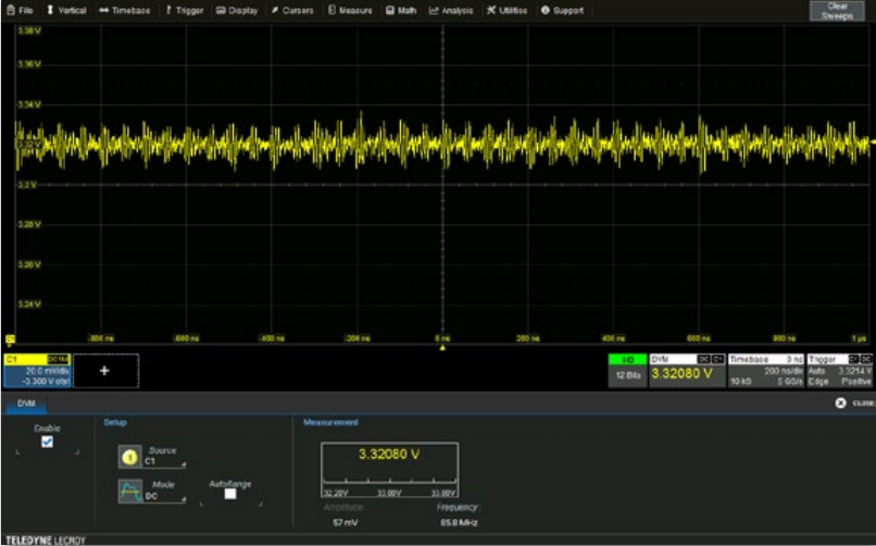
数字万用表和频率计数

1:4位数字电压表,5位频率计数器


2:适用于任何通道;即使系统未触发,测量也会更新


3:将电压读数设置为直流、直流均方根值或交流均方根值

1754276945175.png

实验室笔记

1:将所有设置、波形和屏幕图像存储在一个LabNotebook文件中


2:为实验笔记本添加描述性注释,或标记屏幕图像


3:调用(“回闪”)Lab笔记本以恢复示波器到过去的状态--包括所有设置、波形和表格数据


4:从LNB格式文件中提取组件文件,或将其他文件附加到LNB